• Nouveau
  • Article non disponible

Sonde - température d'eau [Générique]

Prix public
18,85 €
HT

Pour commander cet article merci de vous identifier

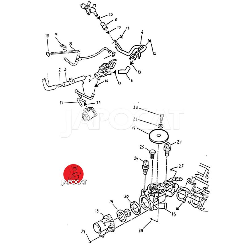
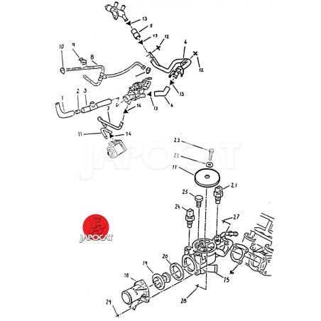
Pièce sur schéma n° : 21

Utilisation sur ce modèle

A partir de 01/11/1995 Jusqu a

Applications possibles

SUZUKI

Modèle Version Années Moteur Type Utilisation
Vitara 1988 à 2005 1,9D 68ch De 01/1995 à 06/2000 XUD9 SE419D, TV03 Jusqu a
Vitara 1988 à 2005 1,9TD 75ch De 08/1996 à 12/2005 XUD9DT SE419TD, TW03 A partir de 01/11/1995 Jusqu a