• Out-of-Stock

.

Prix public
€387.10
VAT excluded

Pour commander cet article merci de vous identifier

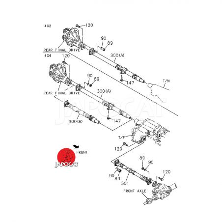
Avant
Pour véhicule 4 roues motrices (4WD)
Pour véhicule avec boîte manuelle 5 vitesses : MUX (MZJ)
Pièce sur schéma n° : 301
Longueur comprimé (mm) : 714

Applications possibles

ISUZU

Modèle Version Années Moteur Type Utilisation
D-Max 4WD (Euro 4) 2007 à 2012 2,5TD 136ch TFS86 De 01/2007 à 06/2012 4JK1-TC TFS86
D-Max 4WD (Euro 4) 2007 à 2012 3,0TD 163ch TFS85 De 01/2007 à 06/2012 4JJ1-TC TFS85