EGR - joint [Origine Constructeur]

Prix public
2,61 €
HT

Pour commander cet article merci de vous identifier

brightness_1 En stock

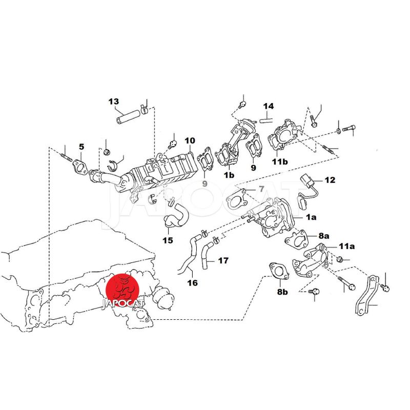
Pièce sur schéma n°9
Prix unitaire
Vendu par 2

Utilisation sur ce modèle

A partir de 01/09/2011

Applications possibles

TOYOTA

Modèle Version Années Moteur Type Utilisation
Dyna 3.0D4-D 06-15 De 09/2006 à 02/2015 1KD-FTV KDY2 A partir de 01/09/2011
Hilux 2WD 2,5 D4-D 11- KUN35 11- 2KD-FTV KUN35
Hilux 4WD 2,5 D4-D 05-15 KUN25 144ch De 12/2007 à 05/2015 2KDFTV KUN25 A partir de 01/08/2008
Hilux 4WD 3,0 D4-D 05-15 KUN26 De 08/2005 à 05/2015 1KDFTV KUN26 A partir de 01/08/2008
Landcruiser. J12 KDJ120 3,0 D4-D (5 portes) De 09/2002 à 08/2009 1KDFTV BZ29J A partir de 01/08/2006
Landcruiser. J12 KDJ125 3,0 D4-D (3 portes) De 09/2002 à 08/2009 1KDFTV AZ29J A partir de 01/08/2006
Landcruiser. J15 KDJ150 3,0 D4-D 09-15 (5 portes) A partir de 08/2009 1KD-FTV EBH#FJ A partir de 01/08/2010 Jusqu'à 31/07/2013
Landcruiser. J15 KDJ155 3,0 D4-D 09-15 (3 portes) A partir de 08/2009 1KD-FTV ECH#FJ A partir de 01/08/2010 Jusqu'à 31/07/2013