FORD |
|||||
| Modèle | Version | Années | Moteur | Type | Utilisation |
|---|---|---|---|---|---|
| Maverick 1993 à 1998 | 2.7TDiC (châssis long) diesel 125 ch | De 1996 à 1998 | TD27TI | UDS, UNS | A partir de 01/07/1996 Jusqu'à 31/12/2006 |
| Maverick 1993 à 1998 | 2.7TDiC (châssis court) diesel 125 ch | De 1996 à 1998 | TD27TI | UDS, UNS | A partir de 01/07/1996 Jusqu'à 31/12/2006 |
| Maverick 1993 à 1998 | 2.7TD (châssis court) diesel 100ch | De 1993 à 1996 | TD27 | UDS, UNS | Jusqu'à 01/06/1996 |
| Maverick 1993 à 1998 | 2.7 TD (châssis long) diesel 100 ch | De 1993 à 1996 | TD27 | UDS, UNS | Jusqu'à 01/06/1996 |
| Maverick 1993 à 1998 | 2.4 essence | De 1993 à 1996 | KA24E | UDS, UNS | Jusqu'à 01/06/1996 |
| Maverick 1993 à 1998 | 2.4 essence | De 1996 à 1998 | KA24 | UDS, UNS | A partir de 01/07/1996 Jusqu'à |
NISSAN |
|||||
| Modèle | Version | Années | Moteur | Type | Utilisation |
| Patrol GR | 2,8TD 88-97 YY60/GY60 | De 09/1988 à 10/1997 | RD28T | KYY60 (3 portes) et WYGY60 (5 portes) | |
| Patrol GR | 2,8TD6 97-00 DSY61 | De 10/1997 à 02/2000 | RD28Ti | DSY61 | |
| Patrol GR | 3,0Di 158ch ESY61 | De 03/2000 à 10/2010 | ZD30DDTI | ESY61 | |
| Patrol GR | 3,0Di 160ch ESY61 | De 03/2000 à 10/2010 | ZD30DDTI | ESY61 | |
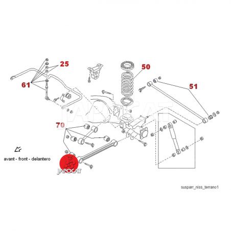
| Terrano I 1987 à 1995 | 2,4i 103ch | De 10/1987 à 02/1993 | Z24i | WD21 | |
| Terrano I 1987 à 1995 | 3,0i V6 148ch | De 01/1990 à 12/1995 | VG30E | WD21 | |
| Terrano I 1987 à 1995 | 2,7TD 99ch | De 08/1987 à 02/1996 | TD27T | WD21 | |
| Terrano II 1993 à 2007 | 2,7TD 101ch | De 02/1993 à 05/1996 | TD27T | R20 | |
| Terrano II 1993 à 2007 | 2,7TDi 125ch | De 05/1996 à 09/2007 | TD27TI | R20 | |
| Terrano II 1993 à 2007 | 3,0Di 154ch | De 05/2002 à 09/2007 | ZD30DDTI | R20 | |
| Terrano II 1993 à 2007 | 2,4i 116ch | De 02/1993 à 01/2002 | KA24E | R20 | |
| Terrano II 1993 à 2007 | 2,4i 124ch | De 02/1993 à 01/2002 | KA24E | R20 | |