- New
- Out-of-Stock
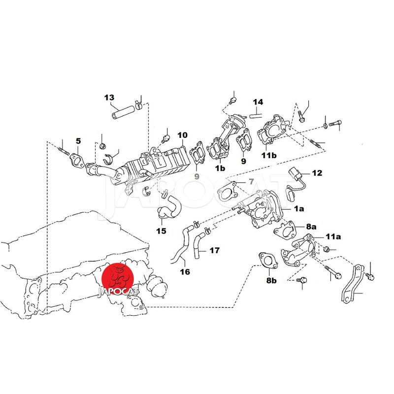
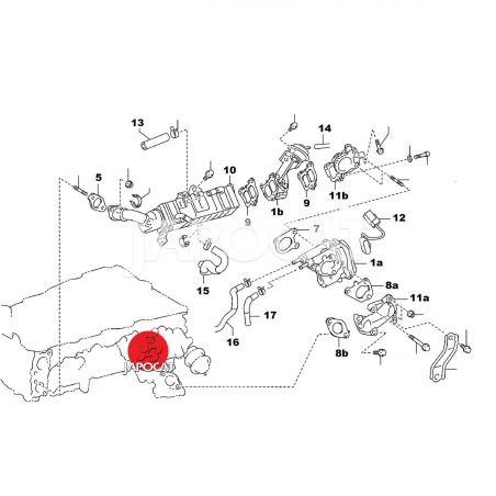
TOYOTA |
|||||
| Modèle | Version | Années | Moteur | Type | Utilisation |
|---|---|---|---|---|---|
| Dyna | 3.0D4-D 06-15 | De 09/2006 à 02/2015 | 1KD-FTV | KDY2 | |
| Hilux 2WD | 2,5 D4-D 11- KUN35 | 11- | 2KD-FTV | KUN35 | |
| Hilux 4WD | 2,5 D4-D 05-15 KUN25 144ch | De 12/2007 à 05/2015 | 2KDFTV | KUN25 | |
| Hilux 4WD | 3,0 D4-D 05-15 KUN26 | De 08/2005 à 05/2015 | 1KDFTV | KUN26 | |
| Landcruiser. J15 | KDJ150 3,0 D4-D 09-15 (5 portes) | A partir de 08/2009 | 1KD-FTV | EBH#FJ | |
| Landcruiser. J15 | KDJ155 3,0 D4-D 09-15 (3 portes) | A partir de 08/2009 | 1KD-FTV | ECH#FJ | |