• New
  • Out-of-Stock

.

Prix public
€4.55
VAT excluded

Pour commander cet article merci de vous identifier

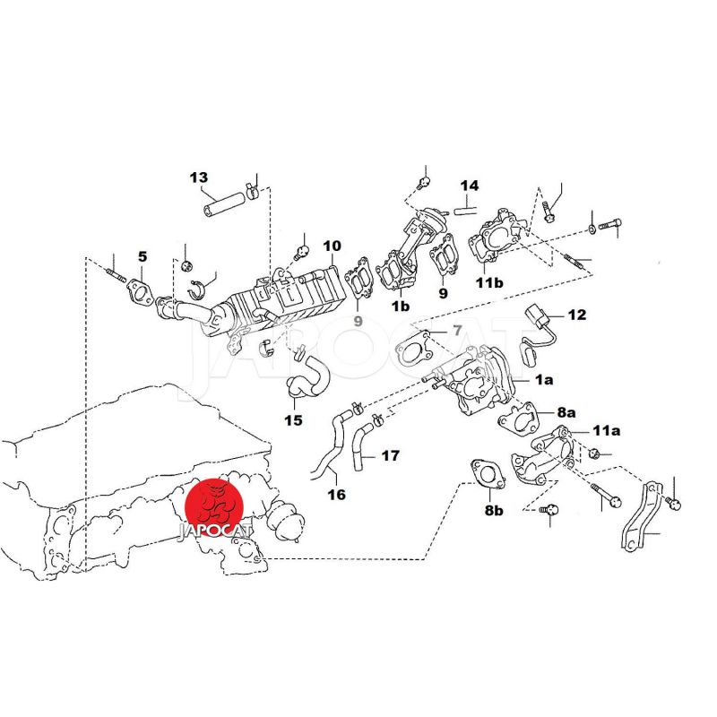
Pièce sur schéma n° : 8a
Prix unitaire

Applications possibles

TOYOTA

Modèle Version Années Moteur Type Utilisation
Dyna 3.0D4-D 06-15 De 09/2006 à 02/2015 1KD-FTV KDY2
Hilux 4WD 3,0 D4-D 05-15 KUN26 De 08/2005 à 05/2015 1KDFTV KUN26