• Out-of-Stock

.

Prix public
€3.26
VAT excluded

Pour commander cet article merci de vous identifier

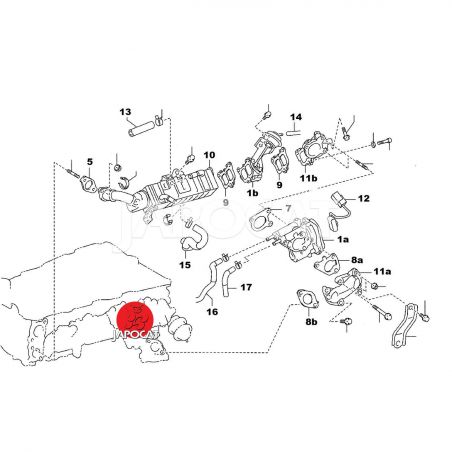
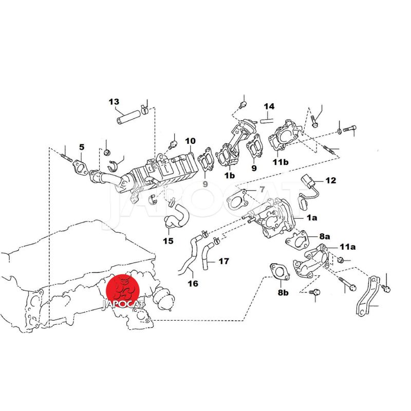
Entre EGR cooler et culasse
EGR cooler

Applications possibles

TOYOTA

Modèle Version Années Moteur Type Utilisation
Dyna 3.0D4-D 06-15 De 09/2006 à 02/2015 1KD-FTV KDY2
Landcruiser. J15 KDJ150 3,0 D4-D 09-15 (5 portes) A partir de 08/2009 1KD-FTV EBH#FJ
Landcruiser. J15 KDJ155 3,0 D4-D 09-15 (3 portes) A partir de 08/2009 1KD-FTV ECH#FJ