• Out-of-Stock

.

Prix public
€3.21
VAT excluded

Pour commander cet article merci de vous identifier

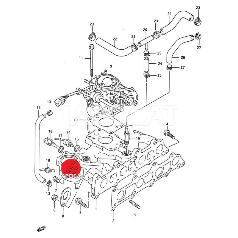
Pièce sur schéma n° : 2

Applications possibles

SUZUKI

Modèle Version Années Moteur Type Utilisation
Samuraï 1,3 64ch 4WD De 11/1988 à 12/2004 G13A SJ413
Samuraï 1,3 80ch 4WD De 01/2000 à 12/2004 G13B SJ413