Rechercher
Rechercher
S'identifier
Langue :
Français
Accueil
Nos produits
FILTRATION
FILTRATION Australienne TERRAIN TAMER
FREINAGE
FREINAGE - Avant
FREINAGE RENFORCE - Avant
FREINAGE - Arrière
FREINAGE - Arrière à Disques
FREINAGE - Arrière à Tambours
FREINAGE RENFORCE - Arrière
FREINAGE - Commandes
DIRECTION ET SUSPENSION
DIRECTION
SUSPENSION - Avant
SUSPENSION - Arrière
SUSPENSION RENFORCEE
SUSPENSION - Avant ou Arrière
TRAINS ROULANTS
TRAINS ROULANTS - Avant
TRAINS ROULANTS - Arrière
TRAINS ROULANTS - Avant ou Arrière
JANTES
TRANSMISSION
TRANSMISSION - Arrière
TRANSMISSION - Avant
TRANSMISSION - Avant ou Arrière
BOITES ET EMBRAYAGE
EMBRAYAGE
BOITE de VITESSES
BOITE de TRANSFERT
SILENT BLOCS
SILENT-BLOCS - Avant ou Arrière
SILENT-BLOCS - Avant
SILENT-BLOCS - Supports
SILENT-BLOCS - Arrière
SILENT-BLOCS - Kits
MOTEUR
BAS MOTEUR
MOTEUR - Entretien
HAUT MOTEUR
MOTEUR - Etanchéité
REFROIDISSEMENT
ECHAPPEMENT
ADMISSION
ALLUMAGE - INJECTION Essence
INJECTION Diesel
ELECTRICITE
CARROSSERIE
ECLAIRAGE - Avant
ECLAIRAGE - Arrière
CARROSSERIE - Avant
CARROSSERIE - Arrière
CARROSSERIE - Divers
VITRAGE
RETROVISEURS
Produits pour CARROSSERIE
AUTRES
ACCESSOIRES
CLIMATISATION - CHAUFFAGE
INTERIEUR - Sellerie
ARTICLES PUBLICITAIRES
HYBRIDE / ELECTRIQUE
BATTERIE
CHARGE
INVERTER
MOTEUR
REFROIDISSEMENT
La société
Contact
Portfolio
Retour
Carrières
Recherche par véhicule
Voir les produits
Accueil
MOTEUR
INJECTION Diesel
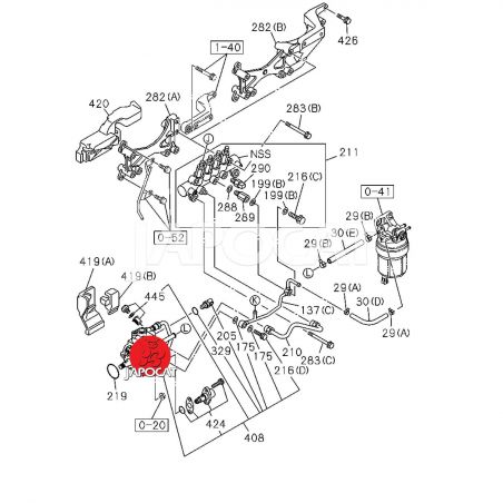
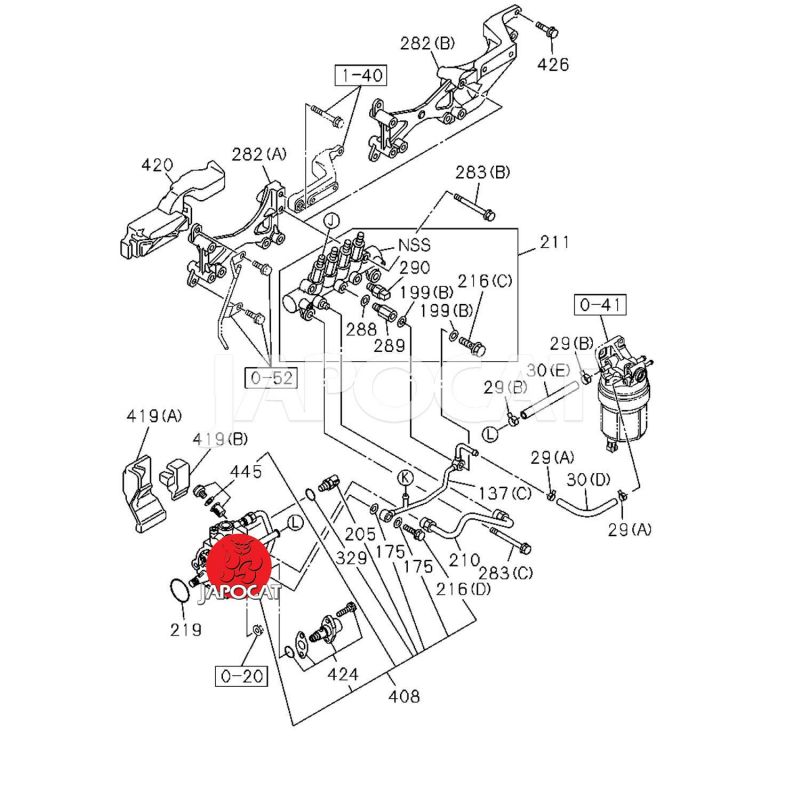
Pompe à injection - Joints [Origine Constructeur]
Nouveau
Article non disponible
Pompe à injection - Joints [Origine Constructeur]
Prix public
13,06 €
HT
Pour commander cet article merci de vous identifier
Description
Détails du produit
Joint torique
Diamètre (mm) : 49.7
Pièce sur schéma n° : 219
Applications possibles
Display all pictures
×
×