Rechercher
Rechercher
S'identifier
Langue :
Français
Accueil
Nos produits
FILTRATION
FILTRATION Australienne TERRAIN TAMER
FREINAGE
FREINAGE - Avant
FREINAGE RENFORCE - Avant
FREINAGE - Arrière
FREINAGE - Arrière à Disques
FREINAGE - Arrière à Tambours
FREINAGE RENFORCE - Arrière
FREINAGE - Commandes
DIRECTION ET SUSPENSION
DIRECTION
SUSPENSION - Avant
SUSPENSION - Arrière
SUSPENSION RENFORCEE
SUSPENSION - Avant ou Arrière
TRAINS ROULANTS
TRAINS ROULANTS - Avant
TRAINS ROULANTS - Arrière
TRAINS ROULANTS - Avant ou Arrière
JANTES
TRANSMISSION
TRANSMISSION - Arrière
TRANSMISSION - Avant
TRANSMISSION - Avant ou Arrière
BOITES ET EMBRAYAGE
EMBRAYAGE
BOITE de VITESSES
BOITE de TRANSFERT
SILENT BLOCS
SILENT-BLOCS - Avant ou Arrière
SILENT-BLOCS - Avant
SILENT-BLOCS - Supports
SILENT-BLOCS - Arrière
SILENT-BLOCS - Kits
MOTEUR
BAS MOTEUR
MOTEUR - Entretien
HAUT MOTEUR
MOTEUR - Etanchéité
REFROIDISSEMENT
ECHAPPEMENT
ADMISSION
ALLUMAGE - INJECTION Essence
INJECTION Diesel
ELECTRICITE
CARROSSERIE
ECLAIRAGE - Avant
ECLAIRAGE - Arrière
CARROSSERIE - Avant
CARROSSERIE - Arrière
CARROSSERIE - Divers
VITRAGE
RETROVISEURS
Produits pour CARROSSERIE
AUTRES
ACCESSOIRES
CLIMATISATION - CHAUFFAGE
INTERIEUR - Sellerie
ARTICLES PUBLICITAIRES
HYBRIDE / ELECTRIQUE
BATTERIE
CHARGE
INVERTER
MOTEUR
REFROIDISSEMENT
La société
Contact
Portfolio
Retour
Carrières
Recherche par véhicule
Voir les produits
Accueil
TRANSMISSION
TRANSMISSION - Avant ou Arrière
Arbre de transmission - mâchoire [Origine Constructeur]
Arbre de transmission - mâchoire [Origine Constructeur]
Prix public
78,36 €
HT
Pour commander cet article merci de vous identifier
brightness_1
En stock
Description
Détails du produit
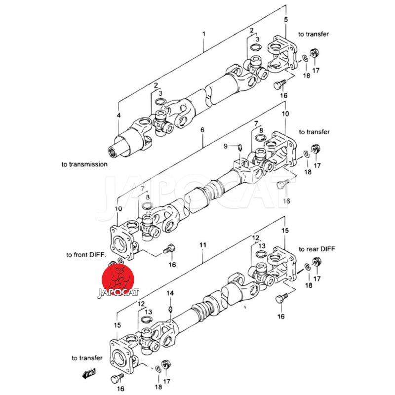
Pièce sur schéma n° : 5/10/15
Prix unitaire
Longueur intérieur (mm) : 64
Diamètre intérieur (mm) : 25
Applications possibles
SUZUKI
Modèle
Version
Années
Moteur
Type
Utilisation
Samuraï
1,9D 64ch 4WD
De 11/1998 à 12/2004
F8Q (Renault)
SJ419
Samuraï
1,9TD 63ch 4WD
De 11/1998 à 12/2004
XUD9T (Peugeot)
SJ419TD
Display all pictures
×
×