Prix public
€29.29
VAT excluded

Pour commander cet article merci de vous identifier

brightness_1 En stock

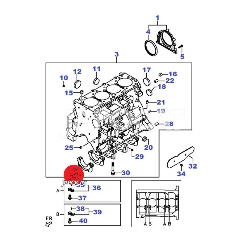
Spi arrière de vilebrequin (derrière volant moteur)
Arrière
Pièce sur schéma n° : 4

Applications possibles

MITSUBISHI

Modèle Version Années Moteur Type Utilisation
L200 4WD 2,5DiD 06-15 136ch KB4 De 11/2005 à 12/2015 4D56DiD B4
L200 4WD 2,5DiD 06-15 167ch KB4 De 10/2007 à 12/2015 4D56DiD B4
L200 4WD 2,5DiD 06-15 178ch KB4 De 04/2010 à 12/2015 4D56DiD B4