Search
Search
Sign in
Language:
English GB
Accueil
Our products
FILTERS
TERRAIN TAMER FILTERS [Australian specs]
Break parts
BRAKE PARTS - Front
PERFORMANCE BRAKES - Front
BRAKE PARTS - Rear
BRAKE PARTS - Rear Disc type
BRAKE PARTS - Rear Drum type
PERFORMANCE BRAKES - Rear
BRAKING CONTROL
Suspension
STEERING
SUSPENSION - Front
SUSPENSION - Rear
TERRAIN TAMER SUSPENSION
SUSPENSION - Front or Rear
WHEEL HUBS AND BEARINGS
WHEEL HUBS AND BEARINGS - Front
WHEEL HUBS AND BEARINGS - Rear
WHEEL HUBS AND BEARINGS - Front or Rear
JANTES
Drivetrain
DRIVETRAIN - Rear
DRIVETRAIN - Front
DRIVETRAIN - Front or Rear
BOITE
CLUTCH
GEARBOX
TRANSFER CASE
POLYURETHANE BUSH
POLYURETHANE BUSHES - Front or Rear
POLYURETHANE BUSHES - Front
MOUNTINGS
POLYURETHANE BUSHES - Rear
POLYURETHANE BUSH KITS
Engine
LOWER ENGINE
ENGINE SERVICE PARTS
UPPER ENGINE
ENGINE GASKETS & SEALS
COOLING SYSTEM
EXHAUST
INTAKE
IGNITION SYSTEM - Petrol INJECTION
DIESEL INJECTION
ELECTRICAL SYSTEM
BODY PARTS
LIGHTING - Front
LIGHTING - Rear
BODY PARTS - Front
BODY PARTS - Rear
BODY PARTS - Miscellanous
WINDSCREEN AND WINDOWS
MIRRORS
Produits pour CARROSSERIE
Others
ACCESSORIES
AIR CONDITIONNING - HEATING
INTERIOR
GOODIES
HYBRIDE / ELECTRIQUE
Support moteur (partie électrique)
Moteur électrique
Boîtier inverter/onduleur
Cablâge moteur Haute Tension
Batterie de traction
La société
Contact
Porfolio
Retour
Carrières
Recherche par véhicule
Voir les produits
Home
Engine
UPPER ENGINE
Prix public
€2.86
VAT excluded
Pour commander cet article merci de vous identifier
brightness_1
En stock
Description
Product Details
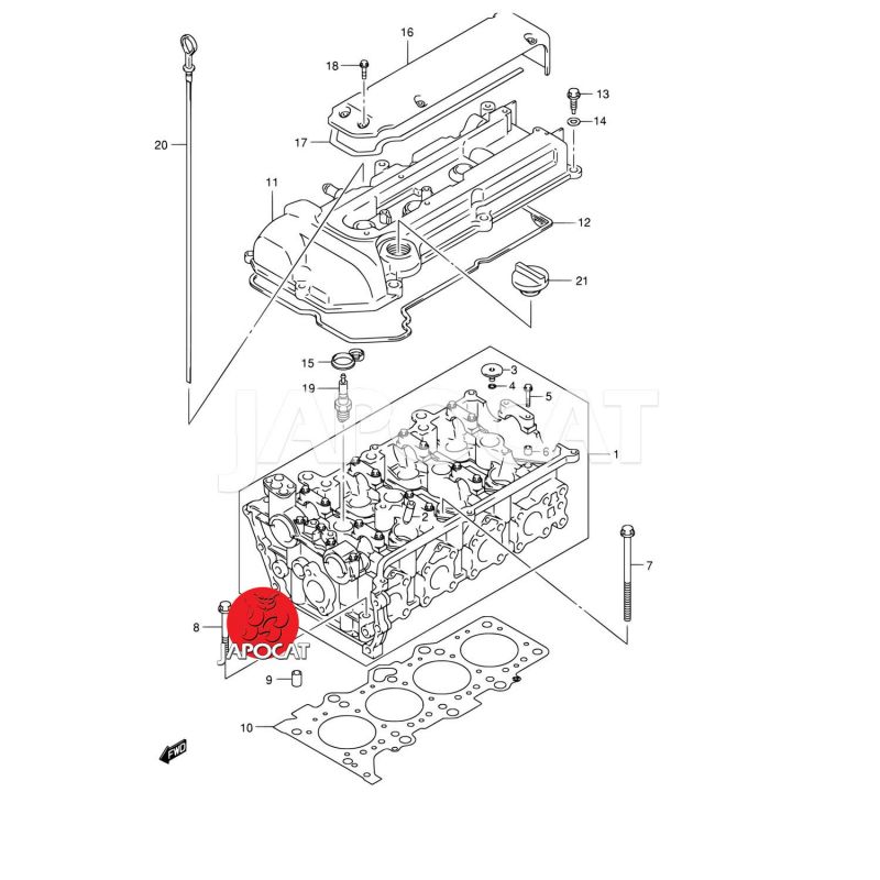
Pièce sur schéma n° : 13
Quantité nécessaire : 7
Prix unitaire
Vendu par : 7
Applications possibles
SUZUKI
Modèle
Version
Années
Moteur
Type
Utilisation
Grand Vitara 2006 à 2014
1,6i 106ch
A partir de 04/2005
M16A
JB416 / TA74
Display all pictures
×
×